| 一、性能特点 松套伸缩接头安装在管道上后,拧紧螺母,弹性密封圈在螺母、压盖作用下,依靠相互间的斜度,紧压在管子外围起密封和连接作用。当温度变化时,管子能在接头中间自由地伸缩;当地基下沉,船舶振动偏斜,它均能确保密封无渗漏,从而达到自动补偿的目的。 二、基本参数 |
![]() |
|
| 三、用途 AY系列接头主要用于船舶、石化、水电、煤矿、轻工等行业的水和含酸碱类的液体及油、气的输送管道。 AF系列接头主要用于碟阀、闸阀、球阀、截止阀、止回阀等与各种管道的连接。适用水、油、汽和颗粒粉状等各种介质的管道。 四、密封圈材料耐介质性能 |
|
介质
|
丁腈橡胶
|
氯丁橡胶
|
天然橡胶
|
氟橡胶
|
聚四氟乙烯
|
|
水
|
Ο
|
Ο
|
Ο
|
Ο
|
Ο
|
|
海水
|
Ο
|
Ο
|
√
|
Ο
|
Ο
|
|
石油
|
Δ
|
√
|
χ
|
Ο
|
Ο
|
|
汽油
|
Ο
|
Ο
|
χ
|
Ο
|
Ο
|
|
浓氢氧化钠
|
Ο
|
Ο
|
Δ
|
Δ
|
Ο
|
|
稀氢氧化钠
|
Ο
|
Ο
|
Δ
|
Δ
|
Ο
|
|
氨水
|
Δ
|
Δ
|
Δ
|
χ
|
Ο
|
|
稀盐酸
|
χ
|
Ο
|
Δ
|
Δ
|
Ο
|
|
无水氨
|
Δ
|
Δ
|
Δ
|
Δ
|
Ο
|
|
四氯化碳
|
Ο
|
χ
|
-
|
Ο
|
Ο
|
|
乙醇
|
Ο
|
Ο
|
Ο
|
Ο
|
Ο
|
|
丁醇
|
☆
|
☆
|
Ο
|
☆
|
Ο
|
|
丙烯腈
|
χ
|
Δ
|
-
|
χ
|
Ο
|
|
苯
|
χ
|
χ
|
χ
|
Ο
|
Ο
|
|
工作温度
|
-30~120℃
|
-40~130℃
|
-50~80℃
|
-20~250℃
|
100~250℃
|
|
代号
|
N
|
C
|
R
|
F
|
P
|
![]() |
![]() |
|
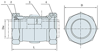
型号 |
名称 |
数量 |
材料 |
|
1 |
螺母 |
2 |
Q235.KTH330-08 |
|
2 |
密封圈 |
2 |
NBR.NR.FPM |
|
3 |
本体 |
1 |
Q235.KTH330-08 |
|
4 |
垫圈 |
2 |
Q235 |
|
公称通径DN |
管子外径DW |
D |
L |
|
|
mm |
in |
mm |
||
|
15 |
1/2' |
22 |
47 |
108 |
|
20 |
3/4' |
27 |
54 |
|
|
25 |
1' |
34 |
61 |
112 |
|
32 |
11/4' |
42 |
70 |
|
|
40 |
11/2' |
48 |
83 |
120 |
|
50 |
2' |
60 |
96 |
|